
一、引言
長期以來,廢舊輪胎處置和資源化利用技術一直是環境保護的世界性難題。目前全世界每年有15億條輪胎報廢,其中北美占4億條,西歐近2億條,日本占1億條。我國輪胎年產量已超過1億只,居世界第三位,每年產生的廢舊輪胎達5000多萬只,重量140余萬噸。但年處理量只有20多萬噸,僅占總產生量的14.2%,大量廢舊輪胎被丟棄或露天堆放。隨著轎車進入家庭和汽車擁有量的增加,廢舊輪胎的產生量正進入迅速增長階段,輪胎如何有效回收利用,防止對環境造成直接污染和二次污染,也是中國廢物資源回收利用中迫切需要解決的重大課題。
二、系統描述
本系統上位主要由力控監控組態軟件負責實現數據采集、報表生成、趨勢曲線、聲光報警記錄、網絡發布等功能,下位主要有研華全系列板卡負責模擬量的采集和西門子300plc負責開關量的控制。研華的板卡采集溫度、壓力、流量等,西門子的plc主要控制釜門的開度和氮氣的開度等。力控監控組態軟件支持研華PCI_1784 、PCI_1240、 PCI_1243U、 PCL_839和研華全系列等多種型號的板卡,支持西門子plcs7和s5協議,以及工業以太網協議。


三、系統的性能和特點
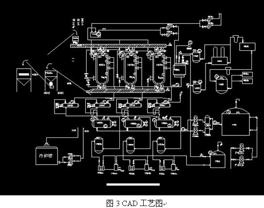
1、工藝流程
廢舊輪胎是由石油產物或生膠、纖維簾線、鋼絲簾線、炭黑和其他配合劑,混煉、壓延而成。它在催化劑(MHC-6)作用下,加熱常壓催化裂解為混合型燃料油,此混合油為橡膠原油。橡膠原油經脫色除味,再經分餾處理,使汽油、柴油餾分,再加入適當的調整劑,調和出符合國家標準的汽油、柴油和燃料油。其工藝流程為:廢舊輪胎整理去雜→入爐加熱,加入催化劑→催化裂解反應→冷卻成油(橡膠原油)→洗處理→加熱精餾,冷凝→成品油餾分(汽油、柴油、燃料油)→調和→成品油(汽油、柴油、燃料油),汽油質量達到GB17930-1999車用無鉛汽油標準、柴油質量達到GB252-2000輕柴油標準、燃料油質量達到SH/T0356-1996燃料油標準。
裂解后釜內殘渣即粗炭黑,可精制成成品炭黑,其生產流程為:
粗炭黑→篩選→磁選→水選→干燥→氣流渦旋粉碎→風旋沉降分級→脈沖除塵→活化還原→炭分子螯合成型→成品炭黑(N330、N660),炭黑質量達到GB3778-94橡膠用炭黑標準。
2、力控監控組態軟件在本工程中的應用
遼寧杜爾科技環保有限公司是家外資企業,有著先進的技術實力和優秀的研究成果。工程項目在遼寧,要求在美國總部可以通過IE瀏覽。
(1)網絡發布功能
力控監控組態軟件ForceContorl提供在Internet/Intranet上通過IE瀏覽器以“瘦”客戶端方式監控工業現場的解決方案,服務器中心使用固定IP,發布的畫面全球都可以瀏覽。
WWW服務器端與客戶端畫面的數據高度同步,瀏覽器上看到的畫面圖形與組態軟件生成的過程畫面效果完全相同。并且可在服務器端設置IE瀏覽客戶端的可操作性,可設置成可控型也可以設置成只可瀏覽不可控型,確保整個工程的安全性。
(2)先進的專家報表功能
報表開發工具提供豐富的報表操作函數集,支持復雜腳本控制,包括腳本調用和事件腳本,比如利用報表函數可以在報表上同時顯示實時數據和任意時刻的歷史數據,并加以統計處理,例如取行平均、列平均,統計出最大最小值。
力控ForceContorl中的專家報表通過向導,方便快速地生成日報、月報等功能,并且可以自動或手動保存成Excel、PDF、Txt等格式的文件。
專家報表開放其方法和屬性,利用力控的多彩腳本編輯器,方便的對報表進行時間歷史查詢、打印、導入導出等各項功能。
(3)曲線模板功能
力控不但提供方便快捷的報表功能,在實時/歷史趨勢曲線上,提供了兩個曲線的模板,我們只需要把采集的變量添加進去,就可以使用其中已經編輯好的各種功能,如:歷史查詢、曲線縮放、隱藏顯示、屬性設置等各種功能。

四、結束語
本項目是將廢輪胎造成的“黑色污染”變為再生資源,以原料狀態進入生產循環中去,既是環境治理,又是資源綜合再生利用,是典型的循環經濟可持續發展的實例。特別是100%資源化再利用特點,在一定意義上,不僅使生產輪胎的各種原料變成了可再生資源,而且較高的回收效率使廢胎回收產業實現規模化處理,改變現有“土法廢胎煉油”的小規模低效率回收方式,克服了二次污染,根除廢輪胎及廢橡膠造成的“黑色污染”,實現輪胎生產業鏈清潔生產、循環生產的目標。采用熱裂解工藝對廢塑料進行油化,對廢輪胎油化和炭化,不僅能實現變廢為寶,而且有很重要的經濟意義和社會意義。
